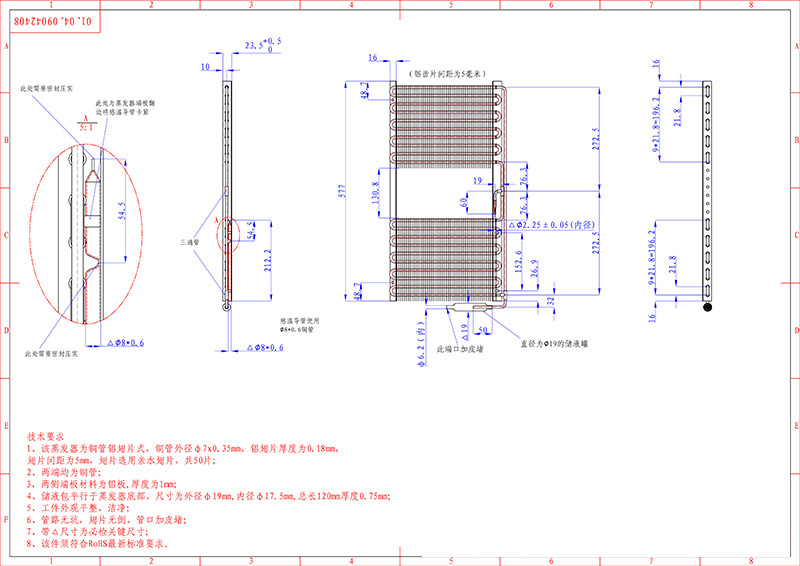
产品编号200715-105
规格7-1*5* 片5

铜管直径(mm) |
孔距(mm) |
排距(mm) |
材料(mm) |
参考片距(mm) |
Ф5 (18排) | 21 | 18.2 | 光管,白箔,zui长做到650 | 1.5-4 |
ф7*0.41弯头规格19.15*16*20H | 19.15 | 16(矩形韩) | 铝、铜翅片,白箔、亲水箔 | 1.5-2.5 |
ф7 | 21 | 12.7(错排) | 白箔、亲水箔片有开窗 zui短做到100mm | 1.5-2.5 |
Ф7 | 21.8 | 20(三角形收冷) | 铜翅片,白箔、亲水箔 | 2.2-4 |
Ф7 | 17 | 14.7(凌形和长方形汽车空调) | 铜管白箔 | 2.5 |
ф9 | 25 | 21.65 | 铝、铜\翅片,白箔、亲水箔 | 2.0-4.5 |
ф9.52 (12排) | 25 | 21.65(公制三角形) | 铝、铜\翅片,白箔、亲水箔 | 2.2-8 |
ф9.52 | 25.4 | 22(英制三角形) | 铝、铜翅片,白箔、亲水箔 | 1.8-2.2-3.5 |
ф9.52 | 25 | 25(正方形) | 铝、铜翅片,白箔、亲水箔 | 3.5-4.5 |
12 | 38 | 32.91(三角形) | 铝、铜翅片,白箔 | 5-8.5 |
ф12.7 | 35 | 35(正方形) | 铝、铜翅片,白箔 | 5~8 |
ф12.7 | 31.75 | 27.5(三角形) | 铝、铜翅片,白箔 | 3-7.5 |
ф15.88 | 38 | 32.91(三角形) | 铝、铜翅片,白箔 | (zui小2.7)4.5-8 |
Ф15.88 | 55 | 27.5(三角形) | 铝、铜翅片,白箔 | 5-7.5 |
ф9.52盘管式 | 模具直径9.52,外园100mm | |||
以9.52为例 | 产品zui长做到4m,翅片zui长40个孔位,宽度zui大做到1.2m,厚度做到1.5m以内 | |||
Ф8铜管蒸发器
| 壁厚0.5 中心距60,zui长做到3m,整根管 | |||



返回顶部
扫一扫 关注我们
